当前位置:主页 > 企业新闻 >

TP4100直流风扇解决方案

来源:未知 时间:2022-05-08 00:52 发布人:admin 阅读:

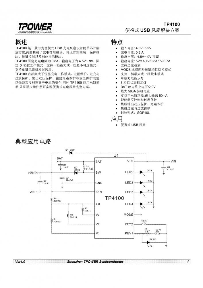
TP4100是一款专为便携式USB充电风扇设计的单芯片解决方案,内部集成了充电管理模块、升压管理模块、保护模块、按键控制以及档位指示模块。

TP4100固定充电电流0.8A输出电压为4.5V12V3档位工作模式,支持一档最大或一档最小可选模式

TP4100内部集成了恒温充电工作模式、过温保护、过充与过放保护、输出过压保护、输出短路保护等安全保护功能以保证芯片和锂离子电池的安全,同时TP4100应用电路简单,只需很少元件便可实现便携式充电风扇完整方案

特点:

充电电流: 0.8 A

 输出电压4.5V12V可调

 输出电流: 0.7A@9V

 外部灵活设置一档最大或一档最小模式

充电指示灯

3档位状态指示灯

 最大50uA待机电流

支持手电筒

 智能温度控制与过温保护

集成输出过压保护、短路保护

集成过充与过放保护

 封装形式:SOP16L

应用:便携式USB风扇

TPOWER移动电源单芯片解决方案丨QC2.0快充协议芯片TP1001丨TP4001集成小风扇/手持小风扇丨同步整流TP4301/TP4302/TP4333/TP4311/TP4303/TP4313/TP4323/TP4355/SP4502丨同步升压TP5187/TP5188丨锂电池充电芯片TP4054/TP4056/TP4057/TP4066 同步升压移动电源解决方案 

圳市宇芯半导体有限公司

电话:0755-33561021  传真:0755-85298357

联系人:刘先生 手机:13631567214     QQ:753172381

相关文章

Copyright © 2005-2022 All rights reserved 深圳市宇芯半导体有限公司 粤ICP备2022054100号统计工具

地址:深圳市宝安区西乡街道渔业社区轻铁东五巷5号二单元5D电话:13631567214

传真:0755-85298357邮箱:753172381@qq.com技术支持:深圳市宇芯半导体有限公司

深圳最专业的IC代理商,IC供应商,慧能泰代理商,芯朋微代理商,江智代理商,3PEAK代理商,Spansion代理商,Winbond代理商.你身边最优秀的IC供应商合作伙伴

宇芯半导体官方微信

宇芯半导体官方微信 扫一扫立即加关注
点击这里给我发消息 销售一部
点击这里给我发消息 销售二部
点击这里给我发消息 销售三部
点击这里给我发消息 技术支持